门禁一体机、电插锁通用接线方法十分有用
发布时间: 2025-10-16 22:58:48 |   作者: 行业新闻

     

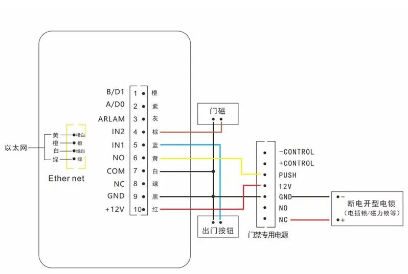
  1、先接设备电源,将门禁一体机的10P(或8P)端子线的电源正级(红线V,电源负极(黑线)接到电源箱的GND。

  2、接开锁信号,将门禁一体机端子线的继电器公共端COM(白线)接到电源箱的GND,也便是说将COM与GND短接;继电器常开NO(黄线)接到电源箱的PUSH,若电源箱有两个PUSH,则接到第一个PUSH,标识为PUSH1或PUSH2。

  电插锁与磁力锁线接都相同,电锁的赤色线接到电源箱的NC,电锁的黑色线接到电源箱的GND。若电锁无红黑线则不区别正负极。

  将门禁设备的出门按钮IN1(蓝线),接到出门按钮一端,出门按钮另一端,用一根独自的线接到GND。

  出门按钮还有另一种接法:按钮端的线,不接扫码门禁设备,直接接到门禁电源的PUSH,另一端仍是GND,此种接法的优势是:门禁设备拆开后,运用按钮还能开门。出门按钮的接线,不区别正负极。

  留意:门禁设备端子线,其它不运用的线,逐根用电工胶布包好。现在通电进行测验。

  若门禁设备不需要网络则疏忽这一步。将门禁设备四芯端子线按如图所示接好,端子刺进设备。

  12接12V,负极(黑线)接gnd,公共端接(com)接gnd,常开(no)接push,最终便是这张图:

  近期发布了2021-2022年的大众号文章。里边有明争暗斗,有图片,根本涵盖了智能化弱电职业的各个体系的文章,精品材料,每一篇都带着项目名称,便利我们查找相关联的内容。此材料很合适新人学习,特别没时间、又不知道怎么查找材料的,主张弄一套,许多类型明争暗斗,肯定有协助!

  文章中的PPT明争暗斗,合计170个PPT,最全完好体系图集,职业标准规范及施工图集,word文档,施工组织设计,工程量清单,图纸以及材料,VISIO图块以及拓扑图,项目办理及施行工程的明争暗斗,带报价的工程量清单,招标明争暗斗及施工组织设计等等。

  点击下方检查:2021年-2022年材料汇总,晋级最新材料明争暗斗,赠送多个最新弱电材料

  我是作者弱电林总,一位弱电经营者。现首要训练,智能化职业开展的新趋势,业余时间运营这个大众号。

  如要参加弱电职业微信免去群,请加弱电微信老友P,老友请求注明“弱电智能化”,并附“公司+集体

回到顶部
服务热线:400-826-7818
智 简 生 活 专 家